关于开展2025年度高新技术企业区级奖励配套申报工作的通知
各相关企业:
按照《武汉市进一步加快创新发展的若干政策措施(武政规〔2022〕5号)、《市科技创新局关于下达2024年度第三批高新技术企业认定补贴资金的通知》(武科〔2024〕135号)、《市科技创新局关于下达2025年度第一批高新技术企业认定补贴资金的通知》(武科〔2025〕34号)、《市科技创新局关于下达2025年度第二批高新技术企业认定补贴资金的通知》(武科〔2025〕42号)等文件精神,现将申报2025年度高新技术企业区级配套资金的有关事宜通知如下:
一、申报时间
2025年11月17日至11月28日,逾期视为自愿放弃申报。
二、支持对象
1.在《市科技创新局关于下达2024年度第三批高新技术企业认定补贴资金的通知》名单中的2021年度首次认定规下高新技术企业,目前企业税务关系在汉阳区且正常经营。
2.2024年度新认定、重新认定高新技术企业,目前企业税务关系在汉阳区且正常经营。
三、支持标准
按市级奖励资金给予1:1配套奖励,5万元/家。
四、实施原则
此次申报采取区街联动、街道(开发区)为主的原则。街道办(开发区)作为审核主体对兑现奖励企业的税务关系所在地、办公地址、上年度纳税总额等企业从事生产经营的基本情况进行核查,对企业申报资料真实性进行把关,区经科局根据街道(开发区)提交的汇总表向企业拨款。
五、资料提交
(一)提交材料:
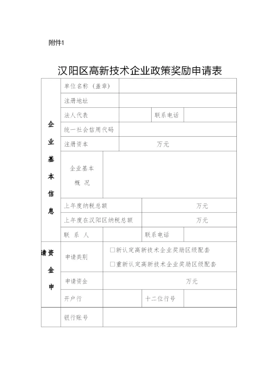
1、汉阳区高新技术企业政策奖励申请表(盖公司公章);
2、2025年1月1日以后的企业缴税证明(盖公司公章);
3、企业营业执照和高新技术企业证书复印件(盖公司公章);
4、市级财政补贴到账凭证复印件(盖公司公章);
5、收款证明(盖公司公章);
6、企业收款收据(收款事由:“2021年新认定高新技术企业补贴区级配套奖励或2024年新认定/重新认定高新技术企业补贴区级配套奖励”,加盖单位公章和财务章)。
(二)提交方式:
1、线上提交,操作流程见附件4;
2、审批通过后进行线下提交,企业将申报材料一式三份提交至所属辖区街道办,街道办对申报资料进行审核,填写汉阳区高新技术企业奖励核查汇总表并加盖公章,提交至区经科局。
六、相关说明
1、缴税证明可以是任意税种的缴税单据,但必须显示是汉阳区税务机关;
2、若在申报及审核过程中需要企业提供本通知要求以外的证明材料,申报对象需积极配合;
3、申报期间如有不符合申报条件及违反国家相关法律法规规定的情形,经查实后取消兑现资格;
七、联系方式
联系人: 李丽
联系方式: 84468507
联系地址: 汉阳区芳草路1号汉阳区政府大楼0420室
附件:
1.汉阳区高新技术企业政策奖励申请表
2.收款证明
3.汉阳区高新技术企业奖励核查汇总表
4.线上操作流程
汉阳区经济信息化和科技创新局
2025年11月12日








